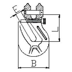
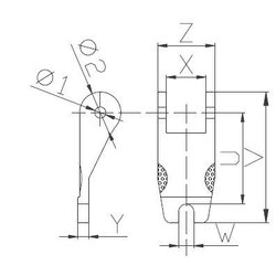
Řetězové komponenty

Filtrovat

Dostupnosti

Dostupnosti

nosnost

nosnost

průměr

průměr

třída

třída

velikost

velikost

volba nosnosti

volba nosnosti

Ceny

Ceny

Ceny ve filtru cen jsou zobrazeny s DPH

Hodnocení

Hodnocení
Na stránce
zrušit všechny filtry

Řetězové komponenty